Outils pour utilisateurs

Outils du site


cours:cfao2

Ceci est une ancienne révision du document !


Le dessin de définition

Si la réalisation des dessins techniques a été grandement simplifiée et facilité par l'utilisation de l'ordinateur, certaines règles restent en vigueur et une démarche adaptée toujours nécessaire.

Compétences :

  • CT 2.6 Réaliser, de manière collaborative, le prototype de tout ou partie d’un objet pour valider une solution.
  • CT 3.2 Traduire, à l’aide d’outils de représentation numérique, des choix de solutions sous forme de croquis, de dessins ou de schémas.

J’ai acquis la compétence si :

  • Je connais les étapes et le processus de la CFAO,
  • Je suis capable de dessiner une pièce simple, en suivant un tutoriel, sur un logiciel de CFAO.

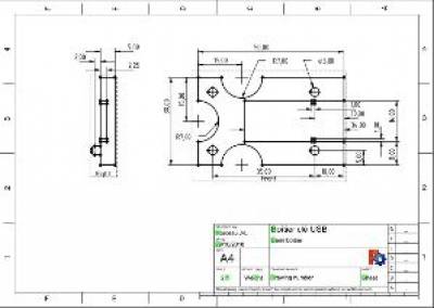
Exemple de dessin technique

Il s'agit ici d'une lame de taille crayon représenté vue de dessus et de gauche à partir d'une coupe située au centre de la pièce. Toutes les dimensions sont relatives au point supérieur gauche de la vue de face ou de la vue de gauche.

Il se compose de trois formes : un rectangle (la pièce de départ), un cercle (le passage de la vis) et un triangle (la pointe de la lame).

  • Le dessin technique est un dessin normalisé en 2 dimensions et à l’échelle d’une pièce d’un objet. Il donne toutes les indications nécessaires à sa fabrication.
  • Il comprend généralement plusieurs vues afin de fournir tous les détails (dessus, dessous, gauche, droite).
  • Chaque élément (forme géométrique) est positionnée et dimensionné par des cotes (2 lignes d’attache, une ligne de cote) à partir d'une origine. Une cote comprend une valeur et parfois une tolérance de fabrication.
  • Toutes les valeurs son écrite sans unité, ce sont des millimètres. Un cercle est coté par son diamètre Ø ou son rayon R.
  • Une coupe est représentée par des hachures.

Le dessin technique se compose de traits :

  • forts (contours visibles),
  • pointillés (contours cachés),
  • fins (informations, cote …),
  • mixtes (axes de symétrie, de perçage …)

Le dessin technique n'a plus aujourd'hui qu'une fonction de contrôle des pièces. Il est remplacé par la modélisation 3D lors de la phase de conception. Ces règles de bases restent à connaître pour réaliser les esquisses.

Principe des logiciels de CAO (Modélisation 3D)

Un logiciel de CAO permet de produire une maquette-virtuelle. Pour cela il faut commencer par modéliser un volume simple auquel il faudra ajouter ou enlever d'autres volumes simples et cela jusqu'à obtention de la pièce souhaitée.

Les étapes suivantes vont se répéter pour chaque volume simple :

  1. choisir une vue (ou face existante de la pièce) pour réaliser une nouvelle esquisse,
  2. dessiner une figure fermée,
  3. définir les contraintes de positionnement et de dimensionnement en indiquant les valeurs chiffrées si nécessaires.
  4. l'esquisse terminée, on ajoute ou enlève une épaisseur de matière (extrusion/cavité) pour réaliser un volume.
  5. il est d'un bon usage de nommer chaque volume créé afin de le retrouver plus facilement si besoin.

L'ordre des esquisses/volumes, les figures géométrique et le calcul des dimensions utiles se préparent sur une feuille de brouillon “à main levé” avant de débuter le travail sur l'ordinateur. Dans les logiciels, cet ordre de travail constitue l'arbre de création. Toutes les modifications d'une esquisse se répercutent sur les esquisses suivantes qui lui sont liée.

Exemples de logiciels de CAO (FreeCad, SolidWorks, ….).

Réalisation d'une esquisse

Pour réaliser une esquisse il existe une bibliothèque de formes de bases et d'autres qui peuvent être réalisées à partir de lignes.

Toutes les esquisses sont positionnée à partir d'une origine qui doit avoir été choisie avec soin au départ. Elles sont ensuite contrainte par au moins 2 positions et 2 dimensions.

Pour aider à réaliser le dessin, il est possible de basculer une ligne en “Mode construction” (figure géométrique utilisée uniquement pour positionner un autre élément et sans mise en relief).

Il est également possible d'utiliser des symétrie ou des répétitions d'une ou plusieurs figures sélectionnées.

Mise en plan

Une fois terminée, la pièce peut servir dans un assemblage ou pour la réalisation d'un fichier d'usinage.

Une mise en plan est généralement imprimée pour les contrôles de fabrication et pour être ajouté au dossier technique. Pour la réaliser, on sélectionne les vues utiles sur lesquelles on reporte les cotes nécessaires à la fabrication.

Une mise en plan comporte (en bas à droite) un cartouche normalisé donnant toutes les informations utiles pour l'utilisation du dessin.

Pour aller plus loin

cours/cfao2.1642585916.txt.gz · Dernière modification: 2022/01/19 10:51 de mrcjl